850nm Fabry Perot FP kuitukytketty laserdiodi
  • 850nm Fabry Perot FP kuitukytketty laserdiodi 850nm Fabry Perot FP kuitukytketty laserdiodi
  • 850nm Fabry Perot FP kuitukytketty laserdiodi 850nm Fabry Perot FP kuitukytketty laserdiodi
  • 850nm Fabry Perot FP kuitukytketty laserdiodi 850nm Fabry Perot FP kuitukytketty laserdiodi
  • 850nm Fabry Perot FP kuitukytketty laserdiodi 850nm Fabry Perot FP kuitukytketty laserdiodi
  • 850nm Fabry Perot FP kuitukytketty laserdiodi 850nm Fabry Perot FP kuitukytketty laserdiodi

850nm Fabry Perot FP kuitukytketty laserdiodi

850 nm:n Fabry-Perot (FP) monipitkittäismuotoinen perhoslaserdiodi, jossa on vakioperhospaketti, jossa on sisäänrakennettu TEC-lämpötilan säätö ja PD-valvonta, joka tuottaa vakaan ja luotettavan optisen lähdön.

Lähetä kysely

Tuotteen Kuvaus

850 nm:n Fabry-Perot (FP) monipitkittäismuotoinen perhoslaserdiodi, jossa on vakioperhospaketti, jossa on sisäänrakennettu TEC-lämpötilan säätö ja PD-valvonta, joka tuottaa vakaan ja luotettavan optisen lähdön.


Ominaisuudet

14pin Butterfly-paketti;

Sisäänrakennettu termistori ja TEC;

Kuitutyyppi voi olla SM630-HP kuitua;

Käyttölämpötila:-20 ~ +70 ℃.


Sovellukset

Optiset välineet;

Laser lähde.


Sähköoptiset ominaisuudet (T=25℃)

Parametri Symboli Kunto Min. Typ. Max. Yksikkö
Toiminta-aallonpituus λc CW, 25℃ 840 850 860 nm
Optinen lähtöteho PF - 30 - - mW
Kynnysvirta ITH 25℃ - 10 35 mA
Käyttövirta IOP CW - 255 275 mA
Käyttöjännite VOP 25℃ - 2.1 2.3 V
Seuraa virtaa IMON VRM = 5V 50 - 1500 μA
MPD Tumma virta ID VRM = 5V - - 50 μA
Termistorin vastus RTH 25℃ 9.5 10 10.5
Termistorin B-arvo β 25℃/80℃ - 3950 - K


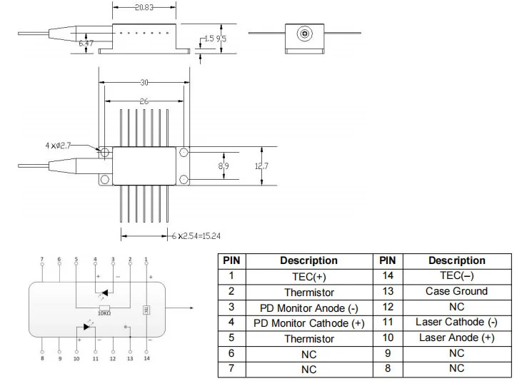
Pakkauksen piirustus ja PIN-OUT-määritelmä (yksikkö:mm)

850nm Fabry Perot Fp Fiber Coupled Laser Diode


Toimitus, toimitus ja tarjoilu

Kaikki tuotteet on testattu ennen lähettämistä;

Kaikilla tuotteilla on 1-3 vuoden takuu. (Laatutakuun alkamisen jälkeen veloitetaan asianmukainen huoltopalvelumaksu.)

Arvostamme liiketoimintaasi ja tarjoamme välittömän 7 päivän palautusoikeuden. (7 päivää tavaroiden vastaanottamisen jälkeen);

Jos myymälästämme ostamasi tuotteet eivät ole täydellistä laatua, eli ne eivät toimi sähköisesti valmistajan ohjeiden mukaan, palauta ne meille vaihtoa tai hyvitystä varten.

Jos tuotteet ovat viallisia, ilmoita meille 3 päivän kuluessa toimituksesta;

Kaikki tuotteet on palautettava alkuperäisessä kunnossaan, jotta ne ovat oikeutettuja hyvitykseen tai vaihtoon;

Ostaja vastaa kaikista toimituskuluista.

850nm Fabry Perot Fp Fiber Coupled Laser Diode


FAQ

K: Onko saatavilla vastaavaa laserohjainta?

V: Kyllä. Voimme myös integroida diodin ja ohjaimen laserlähdemoduuliksi.


K: Onko sinulla muita aallonpituisia FP-lasereita?

V: Kyllä, 488nm/520nm/532nm/660nm/850nm/1064nm... Ota yhteyttä saadaksesi lisätietoja.


Hot Tags: 850 nm Fabry Perot FP kuitukytketty laserdiodi, valmistajat, toimittajat, tukkumyynti, tehdas, räätälöity, irtotavarana, Kiina, valmistettu Kiinassa, halpa, alhainen hinta, laatu

Aiheeseen liittyvä luokka

Lähetä kysely

Ole hyvä ja lähetä kyselysi alla olevalla lomakkeella. Vastaamme sinulle 24 tunnin kuluessa.
X
Käytämme evästeitä tarjotaksemme sinulle paremman selauskokemuksen, analysoidaksemme sivuston liikennettä ja mukauttaaksemme sisältöä. Käyttämällä tätä sivustoa hyväksyt evästeiden käytön. Tietosuojakäytäntö
Hylätä Hyväksyä